imarc Srl assistenza Richiedi informazioni
Call us +39 0424 582401
Write us sales@imarc.it






    I've read the PRIVACY POLICYand I consent to the processing of personal data.

    F760

    BACKREST BAR 70X6, HEIGHT ADJ. STEP-BY-STEP, STEEL

    Functions
    Height backrest adjustment
    Details
    Technical features
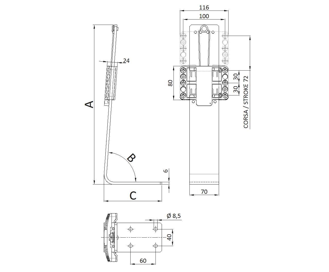
    • Type: Backrest bar
    • Adjustment system: Step by step
    • Position adjustment: 8
    • Structure: Steel
    • Profile dimension: 70x6 mm
    • Heigth adjustment stroke: 72 mm
    • Backrest connection: 100x60
    • Reference standard: ANSI-BIFMA X5.1, EN 1335-2 EN 1728
    OPTIONS
    • Possibility to personalize height (A), angle (B), depth (C) - see drawing
    • Available in different color
    • Mechanism connection: 60x40, Mechanism-holes personalisation available
    ALL PRODUCTS